
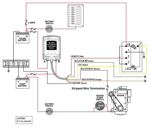
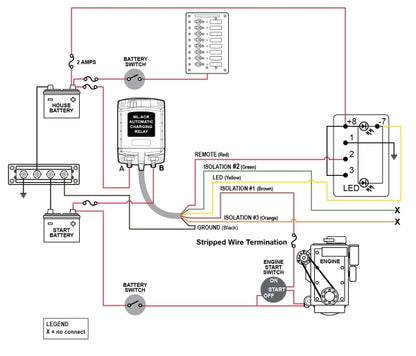
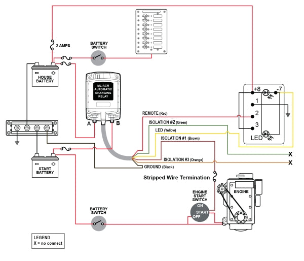
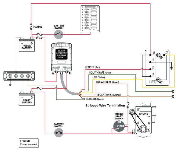
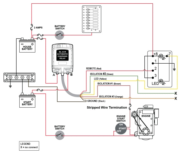
Blue Sea BS 7620 ML ACR 500A Automatik Laderelais mit magnetischer Verriegelung (bi-stabiles Relais) kombiniert die Batterien automatisch während des Ladevorgangs und trennt die Batterien beim Entladen und Starten des Motors.
HAUPTMERKMALE
- Enthält die Contura-Schalter Fernbedienung der ML-Serie Contura-Schalter PN 2146
- Managt das Aufladen von zwei großen Batteriebänken automatisch
- Ermöglicht Parallelschaltung von Batteriebänken für den Notstart
- 500 Ampere Dauerstromleistung zur Unterstützung von Hochleistungsgeneratoren
- Magnetic Latch (ML)-ACR verbraucht sehr wenig Strom (<40mA zur Überwachung der Anschlussspannung) in den Betriebszuständen "ON" oder "OFF" und verbraucht für sehr kurze Zeit bei Zustandsänderungen nur geringen Strom.
- Dual-Messfühler-Ladung auf beiden Batteriebänken
- Start Isolation (SI) - kann für die zeitweilige Trennung von Verbrauchern aus dem Motorstromkreis konfiguriert werden, um empfindliche Elektronik zu schützen.
- Motorisolation (EI) - kann für die Isolierung von zwei Motoren konfiguriert werden, während beide laufen, um die Motorelektronik zu schützen und die Generatorleistung zu maximieren
- LED Ausgang zur Fernanzeige, wenn Batterien kombiniert, isoliert, mit Spannungssperre oder bei Start oder Motortrennung angeschlossen sind.
- 3/8"-16 verzinnte Bolzen für maximale Leitfähigkeit und Korrosionsbeständigkeit
- 7/8" (22mm) Bolzenlänge für mehrfache Kabelanschlüsse
- Silberlegierte Kontakte bieten hohe Zuverlässigkeit beim Schalten unter Spannung
- Etikettenaussparungen zur Kennzeichnung von Schaltkreisen
TECHNISCHE DETAILS
- Nominalspannung: 12V DC
- Manuelle Steuerung: nein
- Motor Isolation (Zustand: 2 Motoren in Betrieb, ein Relais ist offen und eines geschlossen, Motor 1 Startbatterie und Motor 2 Startbatterie sind isoliert, um die Motorelektronik zu schützen.
- Montage: #10
- Start Hilfe - Anlassen des Motors - Relais ist geschlossen und kombiniert Batterien
Bei niedriger Starterbatterie werden die Batterien kombiniert,
um die Leistung zu teilen. - Start Isolierung - Anlassen des Motors - Relais öffnet isolierende Batterien
Die Batterien sind isoliert, um empfindliche
Elektronik vor Spannungseinbrüchen
und Spannungsspitzen zu schützen. - Stromstärke Betriebsstrom: 13mA
- Stromaufnahme Betriebsstrom bei Zustandsänderung: <7.0A
- Dauerladestrom: 500A
- Spitzenladestrom: 700A (5 min)
- Anlasserleistung 30 Sek.: 1450A DC
- Empfohlene Kabeldicke: 4/0 AWG x 2
- Live-Strom-Umschaltung: 300A @ 12V DC
- Schaltzyklen: 100000
- Klemmbolzen Drehmoment: 15.82 Nm
- Ring Kabelschuhdurchmesser Spielraum: 28.45 mm
- Länge Klemmbolzen: 38.1 mm
- Größe Klemmbolzen: 3/8" - 16 (M10)
- Leitungsdurchmesser: 20 AWG
- Relais-Kontaktposition: kombiniert 30 Sek.: 13.5V
kombiniert 90 Sek.13.0V
offen 10 Sek.12,35V
offen 30 Sek.12,75V
offen hoch: 16,2V